Digital Elektronik. Behöver lite hjälp med att hitta rätt sätt att testa komponenter.

Permalänk
Medlem

Digital Elektronik. Behöver lite hjälp med att hitta rätt sätt att testa komponenter.

Hoppas detta är rätt forum del här.

Hej, är så att jag hittade ett stort paket med digital elektronik på vinden för ca en månad sedan.
Det var praktik material för att lära sig bygga en "Mikrodator" med namn "Mickey 85".

Efter lite frågan fick jag fram allt kursmaterial. Var en korrespondens kurs för digital elektronik från NTi skolan.
Jag blev intresserad och tänkte man kan ju bygga den datorn och lära sig om elektronik och lödningen och felsökning etc på samma gång. Hade varit intresserad att lära mig detta just som när man hittade sakerna.
Med i det hela fanns material för att ett antal experiment och bygga några små saker och för det mesta testa och lära sig om TTL 7400 kretsar hittills. (är på häfte 9 nu av ca 40 i praktik, finns lika många teori häften samt ca 30 fysikhäften, jag sitter på kurs/häfte 9 i alla just nu)

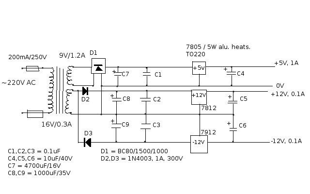
Näst på tur är att bygga ett litet klent nätaggregat om +5v, +12, -12v på 1A, som kommer behövas till senare laborationer och datorn i slutändan men jag blev lite fundersam om alla komponenter fungerar som de ska och vill testa dem före man börjar bygga ihop sakerna. Allt är ju 20år gammalt.
Mest orolig är jag för kondensatorerna(capacitors på eng.)

Jag funderar på mest vad är ett bra sätt att testa dessa med? Jag sökte lite på internet och hittade något intressant med ESR meter. Men jag har inte de nödvändiga komponenterna helt.
Jag har ett Oscilloskop som medföljde hela paketet (GOS 3310 10Mhz). Går det testa komponenter med den på ett enkelt och effektivt sätt. Jag läste lite om något men inget utförligt som skulle visa exakt hur man skulle gå tillväga.

Jag skulle behöva lite vägledning och bra material att läsa på internet. Bra sidor etc som man ska kolla igenom?

Jag kommer nog öppna och inspekterar oscilloskopet före användning för att se att inget är dåligt där inne. Har inte testat det än och vill inte helst före man sett att inget står fel till inuti. Har ju stått oanvänt i 20+ år.

Permalänk
Medlem

Det finns ett "fultest" man kan göra på kondensatorer med högre värden (typ några 100 uF och uppåt i kapacitans och 10V och uppåt i spänning). Det är ju ingen exakt mätning men ger iallafall lite info om kondensatorernas skick.

Man gör såhär: ladda upp kondensatorn till den tillåtna spänningen (eller lite under) genom en resistor på kanske 1 kOhm. Vänta ca 1 minut, sedan kortsluter man kondensatorn över ett metallföremål. Om den då fungerar bra så kommer det bildas en liten gnista när man kortsluter.
Detta testar 3 olika saker:
ESR: Om den inre resistansen är för hög kommer det inte bli tillräckligt med ström för att bilda en gnista. Läckage: Om den läcker mycke så kommer den ha laddat ur sig under den minut man väntar, dvs ingen gnista.
Kapacitans: Om den har sjunkit mycke så kommer det inte finnas nog med energi för skapa en gnista.
Obs. detta är inte så snällt mot kondensatorerna så man ska nog inte göra det för många gånger på samma.

Permalänk
Medlem

Tittade igenom komponenterna och hittade dessa följande aluminium kondensatorer.

2st Elko EHF 2200 uF 16V-IA30 radiell (Elko radh IA, DIN 257/GPF, FRAKO, W.Germany (2.82))
2st "grå" 1000 MFD 35WV cylinder
1st Nasa (japan) 4700uF 16V cylinder 85*C (8705)
4st W5000 10uF 40V radiell (SWT - eg)
2st 1uF 63V 85*C radiell (8213, (2) 7D)

Finns lite andra plast etc kondensatorer också men dessa är i 0.1uF, nF eller mindre etc.

Dessa är från runt 1987 som nyast...
Av vad jag hittat så bör man "reform" gamla elektrolyt kondensatorer. Alltså ge dem den spänning de är märkte för men med ett motstånd i serie. Storleken på motståndet har jag hittat lite vad som helst nummer på och är då osäker vad för motstånd jag bör använda för dessa elektrolyter.
Sedan har jag inget DC aggregat att förse dem med 40V, 63V, 35V?, 16V etc.

16V kanske går att fixa till temporärt med att använda transformatorn man ska bygga nätgagget med? Är en 220V? -> 9V/1.2A, 16V/0.3A, "E-kärna"
Modelnamn: P-5988 HAWK

Av vad jag förstått kan de kan gå sönder om de tas i i full drift direkt om de legat många år som dessa har gjort.

Går det att lada kondensatorer med lägre volt eller "reform" med lägre volt än specifikationen säger?
(schemat och material förteckningen säger att delarna ska endast varit 16V eller 25V... men ser ut som man fått högre värden sedan på delarna ändå)

Permalänk
Medlem

Det borde räcka att köra reform till den spänning som kondensatorerna sedan ska användas till. Så transformatorn till nätaggregatet tror jag går bra. Kontrollera isåfall tomgångspänningen på den så den inte går upp till över tillåten spänning efter likriktning.
Sen tror jag inte att resistansen på seriemotståndet är kritisk, allt från 1k-10k ohm borde fungera fint.

Annars, beställ nya om du vill vara säker, borde kosta under 100-lappen för de där.

Permalänk
Medlem

Ok, men läste att man ska ha 5W resistor och liknande... Jag har endast 0.25Wattare. Får testa och se.

Gjorde en snabb ritning på vad man planerat för att försöka detta med >_>;

Får också se om på vilket sett man ska ladda ur dem sedan också? bör saken vara bara något metall utan kontakt med något annat? eller ska den ha jord? Någon Ohm's resistor verkar vara rekommenderat. 1Ohm per volt.

Kanske en säkring eller switch är bra också att ha? fick med två 200mA säkringar som enligt ritning ska kopplas på 220V AC sidan.

Permalänk
Medlem

Om du kör med 10 kOhm och säg 16 volt så blir det max 16*16/10000 = 0.0256W så 0.25 W räcker gott.
Vill du testa om det blir gnista så kör utan urladdningsmotstånd, detta sliter ju dock en del på kondensatorn. Vad som helst av metall som du inte är rädd om funkar (blir märken efter gnistan), typ en gammal spik eller så. Behöver inte vara jordat.

Annars så kör med 100ohm eller den storleksordningen, det är inte så kritiskt utan påverkar bara hur lång tid det tar. Eller bättre: ladda ur den över en 12V glödlampa, då ser man om den blinkar till.

Kopplingen på ritningen borde funka. Tänk på att om det är 16 V från transformatorn, så blir det toppvärdet som kondensatorn laddas med, dvs 16 * 1.41 = ca 22.6V. Sen ska man dra ifrån ca 0.6V spänningsfall per diod och hamnar då på 21.4V. Sen är tomgångsspänningen säkert lite högre än 16V så det kan nog bli runt 25V i slutändan.
Från 9-voltsuttaget borde man få 9*1.41 = ca 12.7V. Det blir då 11.5V efter dioderna. Kanske 13-14 volt i tomgångsspänning.

Permalänk
Medlem

Varifrån tar du 1.41 multiplikationen ifrån? Jag ser inte exakt vart du får det värdet ifrån för att bestämma att 16v linan kan ge upp till 22.6-25V eller 9v linan 12.7-14v?

Är det något liknande som varierande spänning från 220V AC sidan och eller att om transformatorn inte är så "exakt"?
Om man ska ta 9v istället så kan jag använda mig av en liten svart rektangel med 4pinnar som ska göra växel ström till likström.
Fagor B80 C1500/1000, kallas likriktar brygga. (är till för 9v linan enligt ritningen tror jag, då spänning från den linan skulle vara 5V 1A, 16v skulle ge 12V 0,1A, finns ingen exakt benämning på transformatorn eller ritningen vilken tråd var vilken volt men gissade att den tjockare var för den med högre ampere. fanns en bild i bygg guiden där tjockare tråd kan synas för 5v sidan.)

Permalänk
Medlem

Växelspänning brukar ju anges som effektivvärde, toppvärdet är då roten ur 2 gånger effektivvärdet när det är sinusvåg. Roten ur 2 är ca 1.41.
Jag kommer inte riktig ihåg teorin för det där varför det blir just roten ur 2.

Sen så finns det fler faktorer som spelar in, spänningen har ju ökat från 220 till 230 volt i vägguttagen sen 80-talet så det ökar spänningen lite. Sen så brukar transformatorer ofta ge lite högre spänning när dom är helt obelastade, och man brukar ange utspänningen som den är vid full belastning. Hur mycke högre varierar en del, men kanske 10-20%.
Enklast är nog att börja med en kondensator som tål 35 volt och mäta hur mycke spänning det faktiskt blir.

Stämmer nog bra att den tjockare tråden är för 5 volt.

Permalänk
Medlem

Med genom kortslutning på + och - utan kondensator så får jag tomgångs spänningen väll?
Ska nog börja med 9V / 5V sidan och se vad för volt det ger och sedan också 16V / 12V efteråt. Bör nog köra om båda sidorna för de olika kondensatorerna. Man ska väll inte gå över den specificerade volt talet för en kondensator?

Har redan en koppling med en vrid-spole-meter om 100uA med motstånd etc för att få mätvärden om 20v,10v,5v,2v,1v som fullt utslag.

Börjar bygga och testa imorgon sedan.

Permalänk
Medlem

Hmm, hur menar du med kortsluta + och -?
Menar du som på ritningen och att 10k ohm motståndet är inkopplat i serie så går det bra.

Att sedan koppla in mätaren utan kondensator så tror jag inte det funkar så bra, den kommer mäta medelvärdet och inte toppvärdet. Om du fått igång oscilloskopet så funkar det bra att läsa av toppvärdet med. Ett annat alternativ är att med en multimeter mäta växelsspänningen direkt från transformatorn och sen beräkna toppvärdet.

Japp, gå aldrig över tillåtna volttalet på en elektrolytkondensator då kan dom explodera i värsta fall. Samma sak om man vänder + och - fel.

Permalänk
Medlem

Mätaren har 2st små plastkondensatorer också förutom de olika motstånden. Har använts redan vid ett antal laborationer med batteri 4.5V & 9v med laborationer om TTL & DTL logik. Har fungerat ganska bra till det. Fått mätvärden som skulle överstämma ganska bra.

Jo, menade där kondensatorn skulle sitta, mätaren och motståndet på plats för att avläsa vad man får för värde så att inte det är helt galet värde. Kanske skulle vara bra om man lade extra motstånd i serie för att få högre än 20V på mätaren som mest.

Men jag tar ditt råd att köra med kondensatorn i loopen i alla fall. Börjar nog med de som har högst Volt.

-------------
Öppnade upp Oscilloskopet och allt verkar ok inuti visuellt. Såg att det var ett par OIL-CON 1500V 0.1uF i det.

Sedan märkte jag att man kan välja mellan 0V, 115V, 220V & 240V som input. Man måste manuellt inne ändra på kontakten för vilken nätspänning man har. Frågan är ska man ha det på 220V som den låg på eller ändra till 240V?
Håller den på 220V tillsvidare. Ska ta och testa starta upp det nu näst före jag bygger upp min "reform circuit". Hoppas det inte smäller.

------------
Efter lite testande så verkar det mesta fungera. Bara Horisontell Position som inte ger någon inverkan alls.
Snurrade bildröret rätt då det var snett också.

________________
Har påbörjat reform processen.

Verkar som transformatorn var ganska rätt. Körde på 9v sidan och voltmetern visade ca 9v med endast 47KOhm resistorn i loopet.
Sedan med första kondensatorn en 16v 2200uF så droppar volten med tiden men började runt 9v som utan kondensatorn men började sjunka snart. . Tagit ca 10min nu och den visar nästan 0V.

byggde en box av lego för nätsladd och transformatorn och likströmsriktaren med kablage etc så man får + och - ut från två kablar.
-------------
Ok.. 16v 2200uF kondensatorerna verkar ok. Dock så gnistade den ena mycket mindre än den andra. Kanske kapaciteten blivit lägre? Fick ner till 0V på voltmetern med båda.

Testade också 16V på transformatorn och den visar exakt 16V med endast 47K Ohm motståndet.
Kanske går bra att köra 16V på resten?

Försökte köra med en 12V 15Watt lampa som urladdar men den ville inte fungera. Tror min kablage inte blev riktigt bra kontakt med. Testade med stålbit istället och man fick gnistor.

Ska ta resten senare...

-----------------------
1000uF 35V fick man till nästan 0V mätt på resistorn/motståndet.
4700uF 16V ville stanna på 1.8-2.0V mätt på resistorn. Satt över en timma, minst två. Ville inte gå lägre.
10uF 40V gick till noll efter ett par minuter.
1uF 63V på en halv minut som mest.

Allt kördes på 16V.

Permalänk
Medlem

Har byggt ihop nätaggregatet och gick ganska ok tog bara hela dagen >_>;

Problem är att 5V inte fungerar.

Tror den spänningsregulator, linjär en 7805 +5V 1A inte fungerar alternativt har dålig kontakt. Den blir galet varm i alla fall snabbt.Har en liten aluminium fläns men blir super varm ändå jämfört med de två andra på 12V 0.1A som blir ljumna i värme.
Det är antingen den eller en 10uF kondensator men jag felsökte och kopplade in en annan 10uF men det hjälpte inget.

Fortsätter imorgon. Ska testa löda om men tror den är sönder.

Permalänk
Medlem
Skrivet av Nighthog:

Har byggt ihop nätaggregatet och gick ganska ok tog bara hela dagen >_>;

Problem är att 5V inte fungerar.

Tror den spänningsregulator, linjär en 7805 +5V 1A inte fungerar alternativt har dålig kontakt. Den blir galet varm i alla fall snabbt.Har en liten aluminium fläns men blir super varm ändå jämfört med de två andra på 12V 0.1A som blir ljumna i värme.
Det är antingen den eller en 10uF kondensator men jag felsökte och kopplade in en annan 10uF men det hjälpte inget.

Fortsätter imorgon. Ska testa löda om men tror den är sönder.

Troligen är 7805 felkopplad eller trasig. Dubbelkolla så att du har lött den rätt. Och kolla vad du har för spänning på ingången till den. Lycke till!

Visa signatur

AMD Athlon XP 2000+(Palomino) | 512MiB DDR333 | Gigabyte GA-7VRXP | Point of View GeForce 4 Ti4200 XP | 2x IBM Deskstar 80GB i Raid 0 | Chieftec Dragon | Win2k |

AMD Ryzen R7 5700X | 16GiB DDR4 3200 CL14 | MSI B450 Tomahawk II | Sapphire RX5700 Pulse | Intel 660p 1TiB | Nanoxia Deep Silence | AOC CQ32G1 144Hz 1440p | Win 10 |

Permalänk
Medlem

Om du har voltmetern seriekopplad med kondensatorn och parallelt med motståndet som det ser ut på schemat, så mäter du egentligen strömmen genom kondensatorn och inte spänningen över den. Det funkar ju bra för detta ändamål, strömmen sjunker till ner till 0 när kondensatorn är full-laddad.

Om du inte redan testat det, koppla voltmätaren parallellt med kondensatorn.

Låter ju som 4700/16 kondensatorn behöver bytas iaf. Är det den som är kopplad till 5V regulatorn?

Permalänk
Medlem

4700uF/16V är kopplad på 5V sidan ja men den sitter direkt efter som första steg efter diod likriktaren på som får 9V.

Ritade schema för det hela:

EDIT:
Jag testade att koppla 4700uF 16V kondensatorn direkt parallellt med voltmetern som du föreslog. Jag tog till med ett 9V batteri för att simulera spänningen från transformatorn.
Det mäter endast 4V...
Läste mer om spänningsregulatorer och såg att det behövs 3V mer än den spänning de ska ge för dem att fungera? alltså 5V 7805:an behöver minst ca 8V...
Så verkar som det är kondensatorn som är boven ändå? släpper inte igenom tillräckligt? Vi märkte ju lite problem med att den inte ville bottna som de andra också...
Tror jag såg något liknande med när jag provade mig fram vid felsökning med två prober för att mäta volt i olika områden med nätspänning igång. Märkte att voltmetern inte visade riktigt korrekt med bara halva värdet när jag testade runt om 9V/5V sidan, men tänkte inte mycket på det och trodde bara att jag satt metern på fel läsning.

Men var visst inte fel. Är det ett symptom om en spänningsregulator inte får tillräckligt med spänning att de blir galet varma? Kan den gått sönder som resultat?

Ja, ska nog när och varifrån man vet vad man ska beställa lite komponenter, minst en ny kondensator 4700uF samt säkerhetsskull också en ny 7805:a.
Blir nog lite annat som måste undersökas hemma om man kan fixa dem. Har två dator nätaggregat som skulle kunna repareras 300W & 430W. Ena har bara lagt av medan den andra hade läckande kondensatorer vilket jag tog ur bruk när jag märkte det(Antec TruePower 430W).

Så ska nog också göra en preventiv reparation av min LCD skärm. Finns problem med modellen att två 3300uF 10V kondensatorer börjar läcka för att göra skärmen ej startbar. Lika bra fixa det i förväg.
Är i den gång åldern att problem kan komma när som helst med det. (har lite konstiga symptom annars med den också på senare tid så felsökning på den är nog rekommenderad)

Permalänk
Medlem

78xx serien vill ha 2.5 till 3V mer än utspänningen om jag inte minns fel ja.

Ja, det verkar som att kondensatorn 4700/16 inte är riktigt bra, den verkar ha för hög läckström. Svårt att säga om den är så dålig att det påverkar kretsen, men det är ju möjligt iallafall.

Spänningen-regen borde inte bli varm alls om det funkar som det ska (givet att nätagget är obelastat), om den får för låg spänning så ska den bara ge lite lägre utspänning, borde inte ge värme. Så antingen är regulatorn trasig, felkopplad eller så funkar inte likriktaren så det kommer in växelspänning. Vad händer om du bara kopplar regulatorn till ett 9V-batteri och mäter utspänningen, utan några andra komponenter?

Köp japanska low-ESR kondensatorer till skärm och antec-agg, tex ELFA har rubycon och suncon som är bra. Och beställ nån billig digitalmultimeter också, tror det skulle göra felsökningen mycke enklare

Permalänk
Medlem

Har suttit och letat komponenter på elfa och fått ihop en lista de senaste två dagarna.

Jag tänkte att man tar och beställer delar för att bygga en simpel ESR-mätare också. Hittade en simpel konstruktion som ska vara enkel och fungera väll för ändamålet. Ska fungera för att testa inne i en färdig krets etc(bara det är avslaget, och kondensatorer urladdade etc)
Är ganska billig om man har en vrid-spole-meter redan (dessa är inte så billiga märkte jag när jag tittade runt på elfa). Enda problemet är att jag får linda min egna lilla transformator för att få volt i ca 200mV eller liknande för konstruktionen. Den blir den dyraste komponenten att ta nytt.

http://ludens.cl/Electron/esr/esr.html

Valde Suncon & Rubycon elektrolyter.
Har inte beställt än men tror jag gör det imorgon, men kanske väntar tills nästa vecka. De har inte de där suncon 3300uF 10V för direkt leverans, säger 8:e Mars i varukorgen. Samma gällde de Rubycon kondensatorer jag valde för ESR-mätaren, men de var den 4:e.
Jag tar och väntar med att fixa upp de två PC nätaggregaten. Blir lite jobb att hitta allt i dem och ESR-mätaren blir nästan nödvändigt. Behöver sedan felsöka Oscilloskopet för att se om det går att fixa upp men tror på kondensatorer är största boven i den också. Kan vara annat. Märkte att den var ganska ostabil i de lägre värdena.
Vill inte direkt spendera för mycket nu initialt när jag ännu lär mig av sakerna. Har inte mycket att röra mig med.

Permalänk
Medlem

ESR-mätaren ser ut som ett kul bygge. Men skippa vridspoleinstrumentet och gör istället en utgång för att koppla in en multimeter tycker jag.

Vad var det för fel på oscilloskopet?

Permalänk
Medlem

Fel på Oscilloskopet var att vertikal position inte fungerade. Samt om jag går ner till mV , tex 5mV/DIV värden så ser det ganska galet ut fastän något är inte inkopplat att mätas.
Liknande gällde på tidsperioden TIME/DIV. Om man valde något uS så gick det inte säga direkt om det var korrekt med ett svammel av ränder på skärmen. Samt det alltid ville ge en intensiv punkt på ett ställe som inte passade in eller jag tänkte inte borde vara där när man mätte uS TIME/DIV. mS sidan fungerar helt ok dock.
Det är inte kritiska saker så den går ju använda men skulle vara bra om man fixade upp den till bättre kondition om man har möjlighet.

Tar och löder loss 7805:an för att testa enskilt här näst och testa med batteriet som du förslog. Tänkte på att kanske de andra komponenterna stjäl spänning som gjorde att den inte fick det den behövde för att fungera.

Jag har ju vrid-spole-metern från "labkittet" som voltmätare just nu, hade tänkt man tar den sedan till esr mätaren. För att koppla in multimeter vet jag inte hur det skulle fungera med ESR-mätaren. Det är ju praktiskt en Ohm-mätare i ett visst utförande.

EDIT:

Ok... Verkar som det inte var fel på 7805:an.. fungerar helt ok med 9V batteriet. Lödde loss den helt och testade enskilt.
Kan varit dålig lödning samt att det blev kortslutning mot aluminium kåpan? Var lite "tajt" märkte jag när jag fick bort det hela.
-----------
Vet... f*****... satte tillbaka den i kretsen och den ger ej ut något alls.. Blir bara galet varm igen snabbt. Mätte spänningen från likriktaren och det är 9V samt den går åt bara ett håll som den ska.
------------
Lödde bort den igen och kopplade in den med kablar.. NU fungerar allt som det ska?...
testade koppla in 0V på 5V platsen... den leder... Alltså kortslutning mellan +5V och 0V/ground/- någonstans på kretskortet...
Jaha... >_>;
Borde kontrollerat noggrannare innan. Ok. bara hitta stället problemet är på nu.

Permalänk
Medlem

Okej, ja det låter ju som nån dålig lödning eller så. Då kanske 4700/16 kondensatorn är OK också, även om den har lite läckström kanske den är tillräckligt bra för ändamålet.

Det jag tänkte med multimetern var att vridspole-mätaren ska ju vara på 50uA så då borde det funka lika bra med en multimeter som inställd på 50uA eller där i närheten. Men vridspoleinstrumentet du har funkar ju säkert också om man ändrar något/några resistorvärden så det blir 100uA istället (Jag antog att det instrument du hade vara på 100uA, stämmer det?).

Edit: Såg nu på schemat att det visst var en potientiometer kopplad i serie med mätinstrumentet, så det det behöver nog inte ändras några resistorvärden. Bara att ställa in den lite annorlunda.

Permalänk
Medlem

Hittade felet... En fel konstruerad kontaktdom som gick till +5V och 0V.. den är så att den har alltid kontakt med varandra.(blir svår att fixa då en matelplatta djupt inne har kontakt med staven i botten för +.

Lödde bort den och saker verkar fixade så att 5v inte kan leda som ground/0V.

EDIT:
Jepp. det var felet. Lade in 7805:an igen och nu fungerar det som det ska. Mätte 5V på banankontakten nu.
Mer jobb än nödvändigt blev det visst.

Ok, ja det var 100uA meter jag hade. Personen säger att man om man har 100uA ska välja en 50k trimpot.

EDIT2:

Lade beställning på de flesta delar jag behöver för ESR-mätaren samt 2st suncon 3300uF 10V för att fixa upp min LG L245WP-BN 24" LCD. Öppnade upp den igår för att titta till den och märkte att två 3300uF 10V hade svällt på topparna.
Sedan fixade jag en klämd kabel som gav problem med att skärmens OSD fick ett eget liv ibland. Lödde på med lödkolven samt satt extra lödtenn för förstärkning av den skadade kabeln med el-tejp på det som skydd, verkar ha fixat det problemet i alla fall.

Tyvärr får jag vänta tills nästa vecka före jag får paketet då kondensatorerna jag behövde ej var i lager för direkt leverans.
9:e Mars bör det anlända om allt går bra.
Jag tog bort att jag bygger en egen liten transformator och ska titta till om man kan ta en från det där 300W nätaggregatet eller annan runt liggande elektronik som inte längre används. Verkade ha lite varierande delar man kunde sno från den.
Har inte just nu egentligen användning av dem även om de skulle fixas. Så bestämde mig för att ta den ena 300W för "component salvage".
Även om jag inte hittar en kompatibel transformator så är det inte något problem. Har inte bråttom att få ihop ESR-mätaren eller så.
Kändes lite dyrt att bygga den egna transformatorn då den lackade/emaljerade koppartråden skulle kostat lika mycket som resten ihop med ferrit-kärnan/delar. Slutpriset blev bara hälften när det togs bort.

Jag väntar med att fixa en multimeter då jag inte har pengar att direkt lägga ut på det just nu. De billigaste kostade bara 300kr. Men det är mycket för mig

Permalänk
Medlem

Ok fick till sist komponenterna jag beställde från elfa...

Nån jävla skojare satte två dioder i eget brev värde 1.41kr med eget postförskott så att man får betala två brev postförskottsförsändelser.
Någon verkade inte gilla att plocka smådelar i små antal?

Får ta och skriva lite klagomål och se om man kan få den det där återbetalt på något viss.

Det där fula beteendet fick till så att man betalar mer i frakt än vad komponenterna var värda...
Jävligt less att de ska göra sånt.
Priset blev ju inte det som man fick som bekräftelse på ordern man lagde som resultat.
Huvud paketet vägde inte mer än 0.2Kg heller. Fanns utrymme i det också.

Kan bara säga att jag fick en jävligt smak på vad elfa har för sig...

EDIT:

Fick i alla fall 75kr tillbaks efter ett par mejl för den dubbla post kostnaden. De verkar ha haft krångel med inventerings proceduren eller liknande nämndes det.
Är väll ok att de tog hand om det på det viset.